Registrati
Login
Filtra per marchio
3M
AEROPRESS
ANFIM
ARTPRESSO
ASTORIA/CMA
BEZZERA
BFC
BIALETTI
BNZ
BRAS
BRASILIA
BREMA
BRUGNETTI
BWT
CAFELAT
CARIMALI
CASADIO
CEADO
CIMBALI
CIME
COFFEE QUEEN
COMENDA
COMPAK
CONTI
CREMA PRO
DALLA CORTE
DVA
ECM
ECM DE
EDO
ELEKTRA
EUREKA
EXPOBAR
FAEMA
FIAMMA RST
FIORENZATO M.C
FOAM LOCUS
FRIMONT-FAEMA
GAGGIA
GENE CAFE
HARIO
HEYCAFE'
HIROIA
IPA
ISOMAC
IWAKI
LA MARZOCCO
LA PAVONI
LA SAN MARCO
LA SPAZIALE
LUX-DELUX
MACAP
MAZZER
METALLURGICA MOTTA
MODBAR
MONOLITH
NUOVA SIMONELLI
OBEL
PRO-FONDI
PROFITEC
PROMAC
PULLMAN
PULY CAFF
PUSH TAMPER
PäLLO
QUALITY ESPRESSO
QUAMAR
RANCILIO
RENEKA
ROCKET
ROSSI
ROYAL
SANREMO
SIMAG
UGOLINI
VARI OCS
VIBIEMME
VICTORIA ARDUINO
WEGA
Filtra per tipo ricambio
BARISTA TOOLS
COTTURA
FABBRICATORI DI GHIACCIO
GRANITORI
LAVAGGIO
MACINACAFFE'
MACINACAFFE' - RICAMBI
REFRIGERAZIONE INDUSTRIALE
RICAMBI MACCHINE CAFFE'
RICAMBI UNIVERSALI
VARI OCS
BARISTA KIT
BILANCE E STRUMENTI DI MISURA
CAFFETTIERE MOKA
CASSETTI BATTIFONDI
CUPPING
DOCCE E FILTRI COMPETIZIONE
DRIPPER - CAFFE' FILTRO
EDO
LATTIERE
LAVA LATTIERE
LIBRI
LIVELLATORI CAFFE'
MACCHINE DA CAFFE' MECCANICHE
MACINACAFFE' MANUALI
MERCHANDISE
MISURINI
MONTALATTE E CAPPUCCINATORI
PENNE LATTE ART
PRESSINI
PRESSINI AUTOMATICI
SISTEMI DI PULIZIA AUTOMATICI
SPARGICACAO E DECORATORI
SPAZZOLINI E PENELLI
STRUMENTI PER PULIZIA
TAPPETINI E BASI INOX
TAZZE
TERMOMETRI
TOSTACAFFE'
Accensioni piezo
Alesatori, calibri
Bacinelle
Boiler
Bruciatori
Bruciatori pilota
Bruciatori spartifiamma
Candele
Cavi accensioni, guaine
Cerniere
Cestelli cuocipasta
Cestelli friggitrice
Commutatori
Condensatori
Controlli di fiamma
Detergenti
Doccette forno
Elettrovalvole
Faston - Capicorda
Filtri cappe
Fusibili
Grasso, collanti
Griglie forno
Griglie piano di cottura
Griglie pietra lavica
Guarnizioni forni
Interruttori, pulsanti
Lampade spia
Maniglie, scrocchetti
Manopole
Microinterruttori
Molle tostiere / cerniere
Morsettiere
Motori - ventole forno
Motoventilatori e tangenziali
Piastre elettriche
Piastre ghisa
Piedi inox
Pietra lavica, mattonelle refrattarie
Pilette
Pompa vibrazione
Pressostati di livello
Raccordi
Regolatore di energia (simmostato)
Regolatori di pressione / Relè
Regolatori gpl
Resistenze
Riduzioni moka
Rubinetti carico acqua
Rubinetti di scarico
Rubinetti distributori
Rubinetti gas
Rubinetti termostatici
Scambiatori toroidali
Sonde
Strumenti di misura
Suonerie
Tappi troppopieno
Teleruttori
Temporizzatori - timer
Termici
Termocoppie
Termometri
Termostati
Termostati digitali
Trasformatori
Tubi gas
Ugelli gas
Utensili vari
Valvola di scarico motorizzata
Valvole di sicurezza vapore
Valvole gas
Variatori elettronici cappe
Ventilatori centrifughi
Volantini brasiere
BREMA
FRIMONT-FAEMA
SIMAG
Alberi palette
Bacinelle
Condensatori
Cuscinetti
Debatterizzatori
Deflettori
Elettropompe
Elettrovalvole
Elettrovalvole gas
Evaporatori
Filtri
Interruttori
Microinterruttori
Motori pentavalenti
Motoriduttori
Motoventilatori
Palette
Pressostati
Programmatori
Raccordi
Schede elettroniche
Scivoli cubetti
Sonde livello
Sportelli
Spruzzatori
Tendine
Termostati
Troppopieni
Tubazioni
Tubi carico
Tubi scarico
Vaschette
BRAS
UGOLINI
Anelli sbarazza rifiuti
Boiler
Cerniere-tiranti porta
CESTI LAVASTOVIGLIE
CHIUSURE
Cinghie condensatori
COMENDA-FAEMA
COMMUTATORI
Componenti addolcitori
Contenitori brillantante
Contenitori sale
Disincrostanti
DOSATORI
ELETTROPOMPE
ELETTROVALVOLE
Elettrovalvole scarico
FILTRI
Guaine portabulbo
GUARNIZIONI
Guarnizioni porta
INTERRUTTORI
LAMPADE SPIA
Lavelli
Manicotti
Maniglie
Manopole
MICROINTERRUTTORI
Molle
Morsettiere
Motorini timer
MULINELLI
Piedini
Pilette
Portagomma
PRESSOSTATI
Programmatori, timer
Pulsanti, interruttori
Relè
RESISTENZE
RUBINETTI GRANDI IMPIANTI
Rulli di scorrimento
Saltarelli - spuntoni
Schede elettroniche
Scrocchetti porta
Supporti mulinelli
Teleruttori
Teli mangani, cera
Tendine
TENUTE MECCANICHE
Termometri
TERMOSTATI
Trappole aria
Troppopieni
Tubi di carico
Tubi di scarico
UGELLI
Valvole di non ritorno
ADATTATORI LATTE CAFFE'
MACINACAFFE'
Macinadosatori US
* MACINE *
ANFIM
BNZ
CEADO
COMPAK
EUREKA
FAEMA
FIORENZATO M.C.
HEYCAFE'
LUD-DELUX
MACAP
MAZZER
NUOVA SIMONELLI
OBEL
QUAMAR
RANCILIO
ROSSI
SAN MARCO
Bacinelle
Bocchettoni
Cerniere
Collanti e adesivi
Compressori
Condensatori
Elettrovalvole gas
Evaporatori
Filtri disidratatori
Filtri molecolari
Griglie Frigorifero
Guarnizioni a cella
Guarnizioni frigorifero
Guarnizioni per abbattitori
Guarnizioni profili in barre
Guarnizioni su misura
Guide griglie
Indicatori di umidità
Interruttori
Lampade spia
Maniglie
Manopole termostati
Microinterruttori
Molle
Motori pentavalenti
Motoventilatori
Piedini
Pressostati
Prodotti per la pulizia
Programmatori
Quadri elettrici
Relè
Resistenze
Ruotine con cuscinetti
Schede elettroniche
Scrocchetti
Serrature
Sponde spillone
Supporti griglia
Tende a bandella
Termometri
Termometri Digitali
Termoregolatori Digitali
Termostati
Tubi Rame
Tubi Ricarica Gas
Utensili
Vacuometri
Valvole di compensazione
Valvole di servizio
Valvole Pressostatiche
Valvole Termostatiche
Ventilatori Tangenziali
ASTORIA/CMA
BEZZERA
BFC
BRASILIA
BRUGNETTI
CARIMALI
CASADIO
CIMBALI
CIME
COFFEE QUEEN
CONTI
DALLA CORTE
ECM
ECM DE
ELEKTRA
EXPOBAR
FAEMA
FIAMMA RST
GAGGIA
ISOMAC
LA MARZOCCO
LA PAVONI
LA SAN MARCO
LA SPAZIALE
MODBAR
NUOVA SIMONELLI
PROFITEC
PROMAC
QUALITY ESPRESSO
RANCILIO
RENEKA
ROCKET
ROYAL
SANREMO
VIBIEMME
VICTORIA ARDUINO
WEGA
ARTICOLI MANUTENZIONE
BECCUCCI
CAPPUCCINATORI
COMMUTATORI
CONTATORI VOLUMETRICI
DETERGENTI PROFESSIONALI
ELETTROVALVOLE
GAS
GRUPPI COMPLETI
GUARNIZIONI IN SILICONE
IGIENIZZANTI
INTERRUTTORI
LAMPADE SPIA
MANOMETRI
MOTORI
PARTI ELETTRICHE ED ELETTRONICHE
PARTI SCALDATAZZE
PIEDINI
POMPE
PORTAFILTRI
PORTAFILTRI CON MANOPOLA IN LEGNO
PORTAFILTRI PER CAPSULE
PORTAFILTRI SENZA FONDO
PORTAFILTRO CIALDE E PORTAFILTRO TEFLONATO
PRESSOSTATI
PULSANTI
RACCORDI
RUBINETTI
STRUMENTI DI MISURA
T-SHIRT
TRATTAMENTO ACQUA
TUBI
VALVOLE SICUREZZA
VETRI LIVELLO
VARI OCS
VIBIEMME
RICAMBI MACCHINE CAFFE'
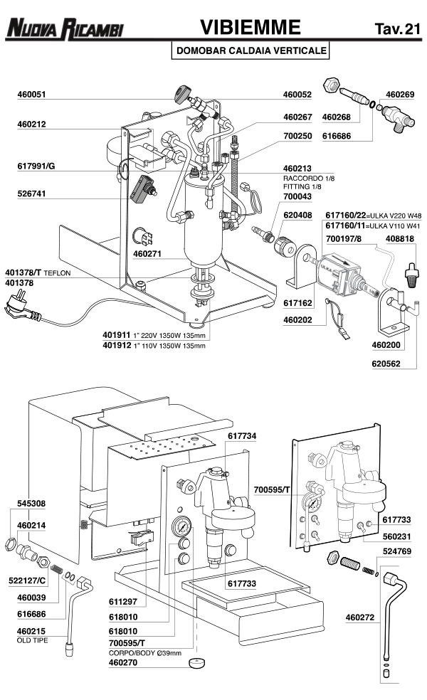
Tavola Vibiemme 21
RICAMBI MACCHINE CAFFE'
Vibiemme 21
21 / 22
Richiedi maggiori informazioni
Stampa tavola
Document not found!
Seleziona l'articolo nella tavola
Listino
$
$
Quantità
-
+
Aggiungi al carrello
Vedi dettagli
Codice
Listino
$
$
-
+